Установка газовой колонки: основные требования

Если установка газовой колонки будет проводиться на прежнем месте, а также новое устройство по техническим характеристикам будет соответствовать своему предшественнику, затруднений с оформлением работ у вас возникнуть не должно.

Главное требование: колонка должна быть сертифицирована и обязана быть допущенной к установке контролирующими органами.

Перед началом работ вам нужно обратиться в ЖЭК за предоставлением заверенных копий проекта вашего жилища. Конкретней: вам нужен план устройства газо-, водоснабжения, а также дымоотведения, план с обозначением мест установки газовой колонки и её технических параметров.

После получения перечисленных сведений, необходимо написать заявление в городскую газовую службу с просьбой разрешения замены колонки при условии сохранения прежнего места её установки, а также заявления о проведении ремонта/замены газовых и водных магистралей данного участка.

Техник должен выполнить данные работы, после завершения которых вы получаете на руки подписанный акт и, собственно, установленную согласно всем требованиям и нормативам колонку.

Другой случай − когда установка газовой колонки в квартире будет произведена на новом месте.

Такая установка газовых колонок потянет за собой изменение подводящих газовых и водопроводных труб, а также изменение системы дымоотвода. Это, разумеется, процесс более сложный и кропотливый.

Рисунок 1 - Типовое устройство газовой колонки

Рисунок 1 — Типовое устройство газовой колонки

Документы для установки газовой колонки

  • заверенный акт о техническом состоянии дымохода (составляет служба контроля вентиляционных и дымовых каналов);

ВАЖНО! Именно дымохода, а не системы вентиляции!

  • техпаспорт приобретенной колонки: в случае, когда с выбором прибора вы определились, но его ещё не приобрели, достаточно указать модель колонки (данные понадобятся при составлении проекта в ГОРГАЗе);
  • составленный проект установки с четким указанием технических заданий на перемену места установки колонки (исполнение проекта также заказывают в ГОРГАЗе);
  • составленное и подписанное правообладателем квартиры заявление на её переустройство (подается в городскую администрацию);

ВАЖНО! При подаче подобного заявления вы должны будете иметь на руках готовый проект работ по переустройству, документы на данную квартиру и документы, подтверждающие ваше право собственности на эти квадратные метры.

  • заявление о выполнении работ (подают в ГОРГАЗ, имея на руках утвержденный проект).

Газовики после утверждения плана всех работ, если разрешение на установку колонки на новом месте вам все же удалось получить, должны будут:

  1. сделать врезку в трубу подачи газа;
  2. поставить газовый счетчик;
  3. повесить колонку;
  4. выкрасить газовую трубу в желтый цвет (принятый стандарт маркировки газовых труб);
  5. облицевать стену за колонкой негорючими материалами.

Помимо этого, отдельно должен быть смонтирован водопровод.

Когда работы окончены, вы обязаны будете вызвать специалиста из районной эксплуатационной газовой службы. Он настроит и запустит колонку. После этого пломбируется газовый счетчик.

И это ещё не все. Вы также должны будете по установке колонки получить акт от пожарной службы, акт от технадзора и акт приемки колонки в эксплуатацию. А новый проект должен быть обязательно занесен в БТИ.

Рисунок 2 - Функциональная схема газовой колонки

Рисунок 2 — Функциональная схема газовой колонки

При выборе колонки ориентируйтесь на:

  • колонки Viessmann, Buderus, Bosh, Wolf и Vaillant;
  • циркуляционные насосы для систем горячего водоснабжения от Grundfos или Wilo;
  • оборудование водоподготовки от Grunbeck ;
  • металлопластиковые трубы, фитинги к ним, воздухоотводчики и группы безопасности от немецкой компании Oventrop.

Установка в квартире газовой колонки: важно знать

Для устройства дымоотвода использовать вентиляционную алюминиевую гофротрубу запрещено! Нормы установки колонки, прописанные в ГСН В.2.5-20-2001 для выполнения дымоотвода предписывают использовать исключительно труб из нержавеющей или же оцинкованной стали. При этом толщина трубы должна быть не меньше 1 мм.

Любые декоративные панели, которыми многие квартиросъемщики закрывают газовое оборудование, обязаны быть легкосъемными, т.е. доступу к колонке ничего не должно мешать, а панели или декоративные короба должны быть изготовлены исключительно из негорючих материалов (см. СП 41-108-2004).

Перекрывающий подачу газа кран, поставленный на новую газовую колонку, должен быть смонтирован близи колонки и иметь желтую ручку (см. СНиП 2.04.08-87).

В современных газовых колонках модулирующим горелкам может быть присуща некоторая инерционность. Потому, во избежание аварийных ситуаций, подвод холодной воды к колонке осуществляют исключительно по механическому фильтру отдельной трубой (размера 3/4” будет более чем достаточно) непосредственно от стояка. Также от стояка ведут другую трубу к смесителям в кухне, а также в ванной и к сливному бачку.

ВАЖНО! Перед смесителями должны быть установлены обратные клапаны, каждый на 0,5 Атм.

Для обустройства выходной трубы горячей воды, нагретой колонкой, лучше всего использовать метровую трубку из отпущенной меди. Диаметр такой трубки должен составлять примерно 15 мм. Вместо меди можно использовать гофрированную нержавейку.

Только выполнив все условия установки можно быть спокойным, что в ближайшие лет 10 не случиться поломок в системе нагрева воды, а также что не придется прятаться от регулярных проверок газовой инспекции.

Рисунок 3 - Правильное расположение газовой колонки

Рисунок 3 — Правильное расположение газовой колонки

Краткая инструкция по установке газовой колонки

Данную информацию не стоит рассматривать как руководство к действию. Производить замену колонки своими руками, так же как и работы с любой газовой техникой запрещено не только по закону, но и по здравому смыслу: такая «самодеятельность» в многоквартирном доме может привести к плачевным последствиям.

Для работы используют:

  • сертифицированную газовую колонку;
  • ПВХ водяную трубу;
  • фитинги типа «американка»;
  • труборезы;
  • паяльник;
  • металлопластиковую трубу для подвода газа;
  • фитинги для металлопластика;
  • газовые краны;
  • солевой и магнитный фильтр;
  • кран Маевского;
  • обычный водопроводный кран;
  • соразмерные гаечные ключи;
  • дрель;
  • а также дюбели и саморезы.

Ход работ и основные требования к ним:

Выбор места установки колонки должен основываться на возможности обустройства вытяжки по всем правилам и нормативам, удобства расположения колонки, а также на возможности подвода коммуникаций.

Объем помещения, в котором будет установлена колонка, должен составлять от 8 м³ и больше.

Колонки устанавливают только на несгораемых стенах. В другом случае трудносгораемую поверхность облицовывают оцинкованным листом от 0,8 до 1 мм толщиной, предварительно закрепив на стене лист базальтового теплоизоляционного картона от 3 до 5 мм в толщину.

ВАЖНО! На деревянных стенах установка колонок запрещена!

Колонку навешивают на стену, учитывая, что высота установки может быть произвольной, однако не перечить правилам установки воздухоотвода. От боковой панели колонки до стены должно быть не менее 15 см, а перед лицевой панелью колонки должно быть оставлено пространство не меньше чем на 60 см.

По месту установки колонки отмечают точки крепежа, затем просверлив их дрелью. Колонку крепят на саморезы.

Нормативы установки соединения колонки и системы подачи воды предусматривают использование металлических труб или гибких шлангов, внутренний диаметр которых равен не менее 13 мм. При этом длина шланга или трубы должна быть не более 2,5 м (аналогичные параметры должны быть соблюдены и при обустройстве подключения к системе газоснабжения).

Монтаж газового соединения с колонкой должен производиться только при установленном запорном кране.

Перед установкой дымоотвода проверяют тягу. В нормальных условиях она должна составлять примерно 1,96-29,40 Па (в зависимости от типа помещения).

Газоотводящая труба должна имеет не менее 110 мм в диаметре, при этом её длина не может превышать 2 м, но и не может быть меньше 300 мм. Уклон газоотводящей трубы должен быть не менее 2° вверх.

ВАЖНО! Самостоятельно осуществлять первый пуск воды по колонке также запрещено. Все работы, касающиеся тестирования системы, установки новой колонки или демонтажа старой должны производиться только квалифицированными представителями ГОРГАЗа.

Схема установки колонки должна идти в комплекте с товаром. Там же приведены и советы производителя по установке данного прибора.

Для установки колонок подходят только кухни и нежилые помещения, предназначенные для размещения данных отопительных приборов.

Однако в ванной комнате правила установки монтировать колонку запрещают, т.к. это помещение не соответствует основным требованиям (см. СНиП 2.04.08-87 ГАЗОСНАБЖЕНИЕ).

В ранее действовавших нормативных документах установка колонок в ванных была разрешена. Но после смены законодательства может идти речь разве что о переносе колонки из ванной комнаты в кухню или любое другое нежилое помещение при необходимости заменить прибор новым.

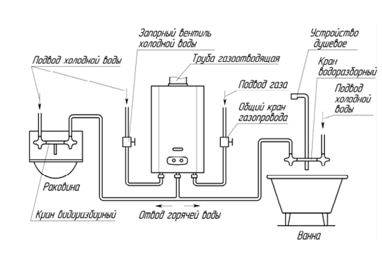
Рисунок 4 - Схема установки газовой колонки

Рисунок 4 — Схема установки газовой колонки

Требования к установке колонок также позволяют рассматривать каждый отдельный случай: например, в частном доме, не принадлежащем к типовым постройкам, может быть предусмотрен монтаж колонки в широком коридоре или помещении без окон, но имеющем выход, однако, к просторной комнате с форточкой.

Рисунок 5 - Проверка тяги перед установкой газовой колонки

Рисунок 5 — Проверка тяги перед установкой газовой колонки

Установка газовой колонки: цена

Стоимость работ будет зависеть от литража колонки, а также от производителя. Например, монтаж отечественной колонки будет стоить порядка 40$, а иностранной − 60$ и более. Для установки в доме колонки объемом до 15 л заплатить придется чуть более 55$, а от 15 л − 70$ и больше.

Сколько стоит установка дымоотвода?

В среднем, от 15 до 20$ с учетом стоимости необходимых материалов.

Учитывая параметры установки, получаем цену за установку колонки

  • в Киеве − от 350 до 600 грн.;
  • в Москве − от 1 600 до 2 800 руб.