Металлические беседки — процесс изготовления

Беседки в терминологии садоводов и владельцев загородных домов и коттеджей – это малая архитектурная форма. Различного рода навесы, всегда пользовались популярностью у хозяев отдельно стоящих жилых построек. В жаркое время года, пристроенные и обособленные беседки, являются не только красивым архитектурным строением, но и элементом, выполняющим определенные полезные функции.

Например, садовые беседки зачастую используются как отдельная комната для приема друзей, гостей, приятной трапезы с шашлыками или барбекю.

Фото 1 – Красивая беседка из металлопрофиля с кованой отделкой

Фото 1 – Красивая беседка из металлопрофиля с кованой отделкой

Словом, беседка по праву стала одним из популярнейших сооружений вблизи частного дома. Среди многообразия типов, конструкций и архитектурных форм выделяются металлические беседки, которые, как правило, выполняются из профильной трубы 20х40 мм. Именно такой тип получил наибольшее распространение в силу простоты его монтажа, относительной малой материалоемкости и как следствие низких финансовых затрат. Беседка из металлического профиля монтируется быстро, проект рассчитывается за несколько часов, не требует наличия особого оборудования, бригады строителей и т. д. Кроме того, металл прекрасно сочетается со всеми современными материалами и видами отделки. А если учесть, что некоторые элементы декора, выполненные из металла с соответствующей отделкой, по-своему уникальны, то получается, что строительство металлической беседки, не такое уж и сложное мероприятие.

Проект

Держа в голове основные черты беседки, вы можете уже на этом этапе составить готовый проект, и начертить эскиз. Если вы владелец респектабельного дома, то это лучше делать с профессиональным дизайнером, которые есть в любой фирме-изготовителе. Если же вы не хотите прибегать ни к чьей помощи, то вполне достаточно будет поискать информацию в интернете, где представлены уже готовые для дачи беседки разнообразных конструкций. Представляем вашему вниманию образец.

Фото 2 – Дизайнерская беседка из металла

Фото 2 – Дизайнерская беседка из металла

Прежде всего, осмотритесь и примите решение относительно общей конструкции и дизайна будущей беседки, определите ее местоположение с учетом главной постройки и высаженных многолетних растений. Будет не лишним обозначить и типы растений, которые придадут определенный эстетический «аромат».

ВАЖНО! Если вы хотите сделать все работы максимально быстро и предпочитаете использование беседки только в летний период, то выбирайте сборный тип.

В специализированных супермаркетах вы наверняка найдете множество вариантов, к тому же мастера сварочных работ, могу вам помочь доработать такую конструкцию, или же сварить новую, используя как основу выбранный вариант. Большая часть таки беседок – прямоугольные, а тканевый материал, который используют для покрытий – брезент или стеклоткань, пропитанная акрилом. Такие беседки легко переносятся, не занимают много места при хранении, и монтируются без всякого фундамента. Сборные беседки с крышей из поликарбоната отличаются от беседок с навесной тканевой кровлей тем, что надежно защитят вас от сильного дождя. Такой тип крыши, как правило, прозрачен, не требует никакого освещения.

Фото 3 – Сборная металлическая беседка с крышей из поликарбоната

Фото 3 – Сборная металлическая беседка с крышей из поликарбоната

Если беседка не велика в размерах вы можете свободно ее перевозить на авто. В этом случае с собой нужно обязательно иметь хороший тяжелый молоток для забивания колышков для стоек, потому как кровля имеет большую парусность.

ВАЖНО! Сварная беседка является более материалозатратным проектом, но ровно настолько, насколько вы хотите ее декорировать, т.е. какие элементы металлической отделки будут включены в общую гамму дизайна. В этом случае вашу фантазию ограничивает только размер кошелька.

На сайтах многих производителей вы можете купить уже готовые беседки, или заказать небольшую переделку и дополнения к уже существующим проектам. Если у вас на примете есть знакомый дизайнер-художник, то закажите ему эскизы в соответствии с вашими предпочтениями, но помните что беседка из металла, изготовленная с нуля обойдется намного дороже уже готовой.

Цена сборных беседок колеблется

  • от 500 до 2000 гривенили от 1500 рублей до 6000 рублей
  • сварных от 1000 до 3000 гривен кв. м. или 3000 рублей до 9000 рублей.

Садовые беседки для дачи

Процесс изготовления садовой беседки своими руками, довольно трудоемкое, но увлекательное занятие, потому что вы выступаете в роли проектанта и строителя одновременно.

Рисунок 1 – Эскиз беседки

Рисунок 1 – Эскиз беседки

Вы как бы пробуете на прочность свои способности в этих двух областях. Прежде всего, стоит решить разборная или не разборная будет ваша беседка

Обратим внимание в сторону Азии и попробуем построить беседку в этом стиле, предварительно разработав чертежи. Все начинается со сборки каркаса.

Рисунок 2 – Вид с боку с основными размерами

Рисунок 2 – Вид с боку с основными размерами

Пол в беседке поднимем на 30-40 см от уровня земли, для того чтобы на тюфяках и матрасах было удобно сидеть днем и лежать ночью. Ведь, как мы знаем, в Азии не было стульев.

Рисунок 3 - Маркировка в соответствии со спецификацией

Рисунок 3 — Маркировка в соответствии со спецификацией

Облегчим труд по изготовлению врубок и врезок, т.к. далеко не у всех есть опыт в этом нелегком деле. Поэтому исключим этот вид соединений из нашей конструкции. Размеры беседки 3х3 м. Это позволят максимально использовать стандартную длину пиломатериалов.

Схема 1 - Размеры основания

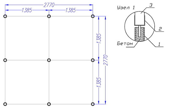
Схема 1 — Размеры основания

Фундамент сделаем из асбоцементной трубы длиной до 1 м.

Сверху закладываем кронштейны. После того как установили все временно связанные стойки, начнем монтаж стропил с больших диагоналей.

Схема 2 - Размеры основания и внутренних элементов

Схема 2 — Размеры основания и внутренних элементов

Как только это будет сделано, наметим и подгоняем более короткие стропила. Вслед за этим монтируем обрешетку под кровлю. Для нее идеальным материалом во все времена считалась вагонка, которая стоит очень недорого.

Схема 3 - Размеры венца и схема его соединения

Схема 3 — Размеры венца и схема его соединения

По окончанию работ, соберем рамы ограждения, которые посредством дополнительных брусков закрепляем к стойкам.

Схема 4 - Размеры лестницы

Схема 4 — Размеры лестницы

Таблица 1 – Спецификация элементов

Таблица 1 – Спецификация элементов

Как видим садовые беседки, имеют малое количество этапов сборки.

Беседки из металлопрофиля

Беседки данного типа бывают разборные и неразборные. Из металлического профиля можно изготовить множество конструкций, и единственное ограничение состоит в его стандартных размерах. Т.е. в чертежах и монтаже нужно отталкиваться от имеющихся на рынке моделей.

Фото 4 – Типичная беседка из металлического профиля

Фото 4 – Типичная беседка из металлического профиля

Дачные беседки из металлоконструкций, как правило, изготавливают своими руками, поскольку они не требуют особых навыков владения инструментом. Шестигранная беседка может и не иметь фундамента. В этом случае важен материал кровли, поскольку он сильно влияет на ее стоимость. Рынок предлагает нам готовые сборные беседки, которые можно купить как в строительных магазинах, так и в частных фирмах, имеющих, несомненно, более широкий ассортимент.

Цена на сборные металлические беседки зависит от размера и фирмы-производителя. Самая дешевая, легкая конструкция обойдется

  • 200 гривен или
  • 600 рублей.